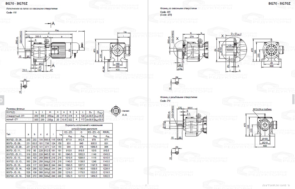
Соосный мотор-редуктор Bauer BG 70
- Мощность двигателя, кВт от 0.25 до 30
- Обороты на выходе n вых, об/мин от 2.3 до 327
- Крутящий момент на вых. валу Тном, Нхм от 432 до 3088
Производим редукторы под собственной маркой ПР - полные аналоги Bauer BG 70
- 95% совместимость без доработок
- Быструю поставку со склада
- Привлекательную цену без потери качеств
Редуктор BG 70 от немецкого производителя Bauer представляет собой высокотехнологичное решение для передачи мощности в промышленных и строительных механизмах. Этот редуктор отличается высокой эффективностью и надежностью, что обеспечивается использованием качественных материалов и передовых технологий производства. Внутренние компоненты редуктора BG 70 выполнены из высокопрочных сплавов, что гарантирует долговечность и устойчивость к износу. Особое внимание уделено точности изготовления зубчатых передач, что минимизирует потери мощности и снижает уровень шума при работе. Редуктор BG 70 обладает высокой степенью защиты от внешних воздействий, что позволяет использовать его в условиях повышенной влажности и загрязненности. Благодаря компактным размерам и легкому весу, редуктор BG 70 легко интегрируется в различные механизмы, обеспечивая при этом высокую производительность и надежность.
Одним из ключевых преимуществ редуктора BG 70 является его способность работать в широком диапазоне температур и нагрузок, что делает его универсальным решением для различных отраслей промышленности. Внутренняя смазка редуктора BG 70 обеспечивает стабильную работу всех компонентов, снижая трение и износ. Благодаря инновационным решениям в конструкции, редуктор BG 70 требует минимального обслуживания, что снижает эксплуатационные затраты и повышает общую эффективность работы оборудования. Высокое качество сборки и строгий контроль на всех этапах производства гарантируют стабильную работу редуктора BG 70 в самых сложных условиях. Внедрение редуктора BG 70 в ваше оборудование позволит значительно повысить его производительность и надежность, что в конечном итоге приведет к снижению затрат и увеличению прибыли.
Сроки: Доставка по России в среднем занимает от 3 до 10 рабочих дней, но может варьироваться в зависимости от региона. Для удалённых регионов, таких как Западная Якутия, сроки согласовываются индивидуально.
Условия отгрузки: Отгрузка с производства и передача в транспортную компанию осуществляется в день готовности заказа.
Способы доставки: Доставка осуществляется исключительно транспортными компаниями. Бесплатно доставляем заказ до терминала ТК.
Стоимость доставки: Рассчитывается индивидуально и зависит от региона, веса и габаритов товара.
Способы оплаты: Только безналичный расчёт.
Оплата производится согласно согласованным условиям поставки.
Если требуется дополнительная информация, уточните у нашего менеджера!
Доступные способы доставки
- Доставка до терминала в городе получателя
Вы выбираете нужную транспортную компанию, мы отправляем заказ, а вы забираете его с ближайшего терминала в вашем городе. Это удобно, если рядом с вами есть отделение — можно забрать в удобное время и не переплачивать за адресную доставку.
- Адресная доставка до получателя
Не нужно думать, как организовать перевозку тяжелого оборудования — мы всё сделаем за вас. Привезём редуктор точно по адресу: на производство или прямо на объект. Учитываем особенности груза и условия транспортировки, чтобы доставка прошла быстро, удобно и без лишней суеты.
- Самовывоз с терминала Деловые Линий или ПЭК в Челябинске
Для клиентов из Челябинска доступен самовывоз с терминала транспортной компании. Информация о дате и точке выдачи передаётся заранее. Процесс организован максимально просто и понятно: получение груза — без задержек и лишних действий.
Мотор-редуктор Bauer BG 70
Ключевые преимущества редукторов серии ПР
Видео-отзывы
Ознакомиться с отзывами
Команда экспертов
по приводной технике
Луканина Наталья
Руководитель отдела продаж
Шишук Виктория
Руководитель фронт-линии
Сиражетдинов Дмитрий
Руководитель отдела клиентского сервиса
Снигир Олег
Ведущий менеджер по продажам
Киселев Егор
Менеджер по продажам
Друченко Александр
Менеджер по продажам
Новиков Максим
Менеджер по продажам
Тыщенко Иван
Менеджер по продажам
Уржунцев Александр
Менеджер по продажам
Мы не просто продаём редукторы — нам доверяют, потому что решаем задачи быстро и точно
Вопрос-ответ
Читайте наши статьи о мотор-редукторах и их применении
Оставьте свои контактные данные и наши специалисты свяжутся с вами в течение 15 минут.