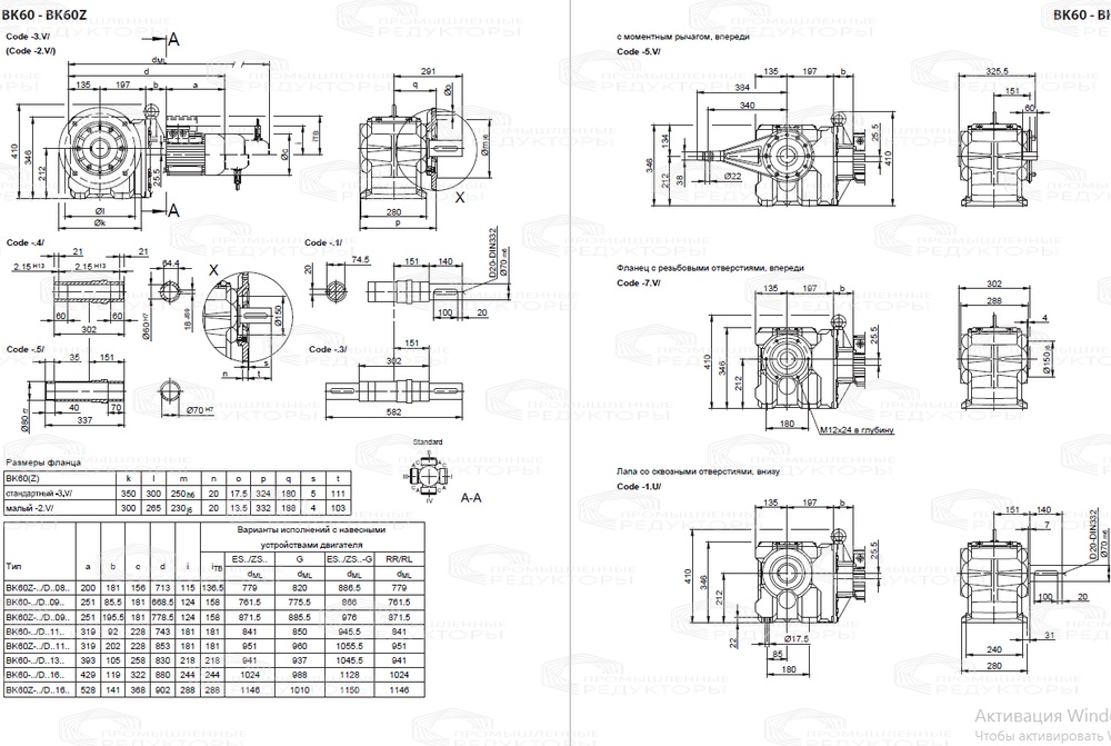
Конический мотор-редуктор Bauer BK 60
- Мощность двигателя, кВт от 0.37 до 22
- Обороты на выходе n вых, об/мин от 3.9 до 203
- Крутящий момент на вых. валу Тном, Нхм от 525 до 3210
Производим редукторы под собственной маркой ПР - полные аналоги Bauer BK 60
- 95% совместимость без доработок
- Быструю поставку со склада
- Привлекательную цену без потери качеств
Редуктор BK 60 от немецкого производителя Bauer представляет собой высокотехнологичное решение для передачи мощности в промышленных и строительных механизмах. Этот агрегат выделяется своей надежностью и долговечностью, что обеспечивается использованием высококачественных материалов и передовых технологий производства. Редуктор BK 60 обладает высоким КПД, достигающим 95%, что позволяет значительно снизить энергозатраты и повысить эффективность работы оборудования. Конструкция редуктора предусматривает использование керамических подшипников, что обеспечивает минимальное трение и износ, а также снижает необходимость в частом техническом обслуживании. Благодаря оптимальной геометрии зубчатой передачи, редуктор BK 60 обеспечивает плавное и бесшумное функционирование, что особенно важно в условиях интенсивной эксплуатации.
Редуктор BK 60 от Bauer отличается высокой степенью защиты от внешних воздействий, что делает его идеальным выбором для работы в агрессивных средах. Корпус редуктора выполнен из высокопрочной стали, что обеспечивает его устойчивость к механическим повреждениям и коррозии. Внутренние компоненты редуктора BK 60 подвергаются тщательной обработке и проверке на соответствие строгим стандартам качества, что гарантирует их долговечность и надежность. Встроенные системы смазки и охлаждения обеспечивают стабильную работу редуктора даже при длительных нагрузках, что делает его незаменимым элементом в сложных механизмах. Редуктор BK 60 от Bauer — это оптимальное сочетание инновационных технологий и проверенных решений, обеспечивающее высокую производительность и долговечность.
Сроки: Доставка по России в среднем занимает от 3 до 10 рабочих дней, но может варьироваться в зависимости от региона. Для удалённых регионов, таких как Западная Якутия, сроки согласовываются индивидуально.
Условия отгрузки: Отгрузка с производства и передача в транспортную компанию осуществляется в день готовности заказа.
Способы доставки: Доставка осуществляется исключительно транспортными компаниями. Бесплатно доставляем заказ до терминала ТК.
Стоимость доставки: Рассчитывается индивидуально и зависит от региона, веса и габаритов товара.
Способы оплаты: Только безналичный расчёт.
Оплата производится согласно согласованным условиям поставки.
Если требуется дополнительная информация, уточните у нашего менеджера!
Доступные способы доставки
- Доставка до терминала в городе получателя
Вы выбираете нужную транспортную компанию, мы отправляем заказ, а вы забираете его с ближайшего терминала в вашем городе. Это удобно, если рядом с вами есть отделение — можно забрать в удобное время и не переплачивать за адресную доставку.
- Адресная доставка до получателя
Не нужно думать, как организовать перевозку тяжелого оборудования — мы всё сделаем за вас. Привезём редуктор точно по адресу: на производство или прямо на объект. Учитываем особенности груза и условия транспортировки, чтобы доставка прошла быстро, удобно и без лишней суеты.
- Самовывоз с терминала Деловые Линий или ПЭК в Челябинске
Для клиентов из Челябинска доступен самовывоз с терминала транспортной компании. Информация о дате и точке выдачи передаётся заранее. Процесс организован максимально просто и понятно: получение груза — без задержек и лишних действий.
Мотор-редуктор Bauer BK 60
Ключевые преимущества редукторов серии ПР
Видео-отзывы
Ознакомиться с отзывами
Команда экспертов
по приводной технике
Луканина Наталья
Руководитель отдела продаж
Шишук Виктория
Руководитель фронт-линии
Сиражетдинов Дмитрий
Руководитель отдела клиентского сервиса
Снигир Олег
Ведущий менеджер по продажам
Киселев Егор
Менеджер по продажам
Друченко Александр
Менеджер по продажам
Новиков Максим
Менеджер по продажам
Тыщенко Иван
Менеджер по продажам
Уржунцев Александр
Менеджер по продажам
Мы не просто продаём редукторы — нам доверяют, потому что решаем задачи быстро и точно
Вопрос-ответ
Читайте наши статьи о мотор-редукторах и их применении
Оставьте свои контактные данные и наши специалисты свяжутся с вами в течение 15 минут.